首页
产品中心
圆形连接器
RD24
分线盒
7/8连接器
M5连接器
M8连接器
M9连接器
M12连接器
M15连接器
M16连接器
M17连接器
M23连接器
推拉自锁连接器
B系列
K系列
重载连接器
插芯
插针
壳体
配件
插头
插座
防水接头
I/O系统
IO-Link 模块
交换机
以太网5端口交换机IP20
以太网8端口交换机IP20
以太网8端口交换机IP67
工业连接器
SPE
SHR
SDT
SSF
USB
RJ45
D-Sub
电磁阀
液压阀连接器
BTB高速连接器
振动传感器连接器
行业连接器
通信
机器人
轨道交通
船舶海洋
机器视觉
农用机械
伺服电机
航空航天
具身机器人
OEM/ODM
新闻中心
公司新闻
行业新闻
应用领域
智能传感器
机器视觉
机器人
工业自动化
汽车工业
轨道交通
仓储物流
工程机械与农用机械
新能源
伺服电机
海洋船舶
医疗
通信
食品饮料
下载中心
产品目录
产品认证
体系认证
测试报告
关于我们
关于盛格纳
发展历史
资质荣誉
实验设备
生产设备
环境政策
社会责任
联系我们
中文
中文
EN
DE
首页 >
产品中心
>
圆形连接器
>
M12连接器
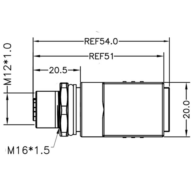
M12 X型8芯母头转RJ45转接头(180°)
订货号:120708-10-007
返回列表
上一篇 : M12 X型8芯母头转接头
下一篇 : M12 X型8芯公头转RJ45转接头(180°)
详细参数
下载中心
3D预览
一般特性
芯数
接线方式
金属线规
线规
防水等级
插拔次数
工作温度(最大)
工作温度(最低)
8
-
-
-
IP67/IP68
>100 mating cycles
+85℃
-25℃
电气特性
额定电压
额定电流
接触电阻
绝缘电阻
50V AC / 60V DC
0.5A
≤10mΩ
≥100MΩ
材料
插针材料
插孔材料
针孔镀层材料
CuZn
CuSn
Au
2D 图纸
120708-10-007
下载
3D功能尚未开放,敬请期待!